+8613720286360
yupinyan@126.com
简体中文
  • 简体中文
  • English
  • Shqip
  • لالعربية
  • Polski
  • رسی
  • Deutsch
  • Русский
  • Français
  • 한국어
  • Nederlands
  • Čeština
  • Bahasa Melayu
  • Português
  • 日本語
  • Svenska
  • Kiswahili
  • ไทย
  • Türkçe
  • 繁体中文
  • Українська
  • Español
  • Italiano
  • हिन्दी
  • Bahasa Indonesia
  • Tiếng Việt
  • Filipino
武汉钰品研生物科技有限公司
  • 首页
  • 产品中心
    • 食品安全快检系列
      • 蔬菜水果农药残留检测
      • 茶叶农药残留检测
      • 畜产水产兽药残留检测
      • 米,面,豆及豆制品等非法添加剂检测
      • 食用油品质检测
      • 生鲜乳兽药残留检测
      • 食品调味料类非法添加检测
      • 食品卫生指标检测
      • 饮料类检测
      • 水质检测
      • 其他食品非法添加类快检试剂盒
      • 蜂蜜,燕窝类系列
    • 食品安全检测仪系列
    • 保健食品非法添加检测
    • 化妆品非法添加检测
  • 新闻资讯
    • 行业新闻
    • 公司新闻
  • 服务支持
    • 产品说明书
    • 产品操作视频
    • 产品检测报告
    • 食品安全检测标准
    • 食安检测技术交流
  • 食安解决方案
    • 禽蛋质量安全综合解决方案
    • 果蔬农药残留综合解决方案
    • 水产品畜产品安全快检方案
    • 微生物快速检测解决方案
  • 人才招聘
  • 关于我们
  • 联系我们
  • 官方店铺
服务支持
首页 > 服务支持 > 食品安全检测标准

相关新闻

  • 添加物使用基准依据:从标准到检测的全链条合规
    添加物使用基准依据:从标准到检测的全链条合规
    2025-09-20
  • 食品中毒真菌毒素限量标准最新动态,2025 更新解读​
    食品中毒真菌毒素限量标准最新动态,2025 更新解读​
    2025-09-20
  • 重金属蓄积检测:中国地方标准与实操要点​
    重金属蓄积检测:中国地方标准与实操要点​
    2025-09-20

热门产品

有机磷和氨基甲酸酯类农药残留速测试剂盒
有机磷和氨基甲酸酯类农药残留速测试剂盒
高通量农药残留速测试剂盒
高通量农药残留速测试剂盒
有机磷和氨基甲酸酯类农药残留速测卡
有机磷和氨基甲酸酯类农药残留速测卡
留下您的信息

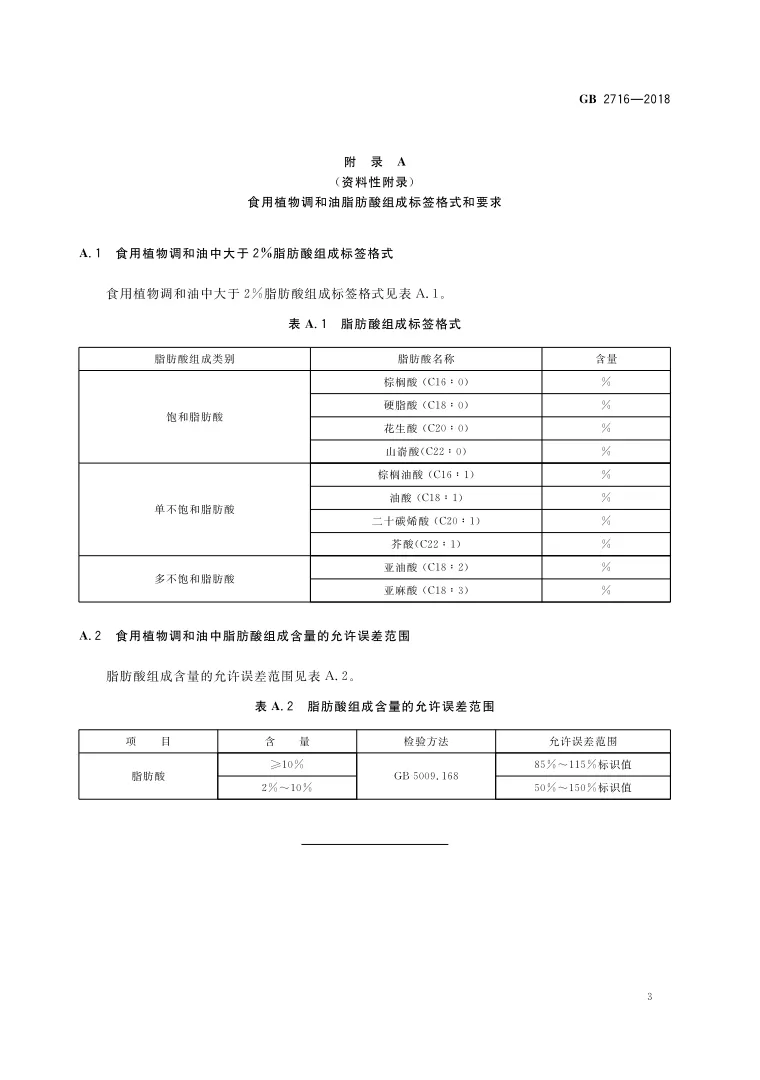
GB2716-2018 食品安全国家标准 植物油

2025-06-28

image.png

image.png

image.png

image.png

image.png

文档下载

GB2716-2018 食品安全国家标准 植物油(2).pdf


GB2763-2021食品安全国家标准 食品中农药最大残留限
GB 2716-2018 植物油标准全解读:起酥油、调和油的

微信

微信

快速导航

  • 首页
  • 产品中心
  • 新闻资讯
  • 服务支持
  • 食安解决方案
  • 人才招聘
  • 关于我们
  • 联系我们
  • 官方店铺
  • Sitemap
  • 食品安全检测试剂
  • 国家市场监督管理总局
  • 湖北省市场监督管理局
  • 中国食品安全网

  • 食品安全快检系列
  • 食品安全检测仪系列
  • 保健食品非法添加检测
  • 化妆品非法添加检测

联系我们

热线电话: +8613720286360
电子邮箱: yupinyan@126.com
手机号码: 13720286360
公司地址: 湖北省武汉市洪山区民族大道331号海创源创业园5-6层

Copyright © 2012-2028 武汉钰品研生物科技有限公司

首页

手机号码

QQ:343306098

联系我们

  • 在线服务
  • QQ:343306098
  • yupinyan@126.com
  • +8613720286360
  • 13720286360